john deere 420 parts diagram

September 26 2015 at 727 pm. Internal combustion engines can contain any number of combustion chambers cylinders with numbers between one and twelve being common though as many as 36 Lycoming R-7755 have been usedHaving more cylinders in an engine yields two potential benefits.


John Deere 420 And 430 Tractor Parts Manual Estate Personal Property Personal Property Online Auctions Proxibid

SaleHome Shop Fleming-Agri.

. High flow hydraulics with self level-up and ride control two speed transmission. See a wide range of Hydraulics parts you. John Deere 420.

This online parts catalog is robust and easy to use. Unexplained itching all over body. 2 days ago 2 new spindles and several sets of extra blades come with it 17 items found from eBay international sellers - TWO 12 12x8 Parts Only Pro Lift T-5305 Lawn Mower Lift with Hydraulic Jack for Riding Tractors and Zero Turn Lawn Mowers - 500 Lbs Capacity 4 Pro Lift T-5305 Lawn.

We ship all of our genuine John Deere parts including this John Deere Hy-Gard Oil TY22062 five days per. ピアスに関するqa 販売しているピアスはすべて2個売りですか ピアスは2個売りとなっております 一部の特殊な形状のピアスや片耳用のピアスは1個売りとなっております. James howell m electrical diagram please - wilson ind 135518 102522 3 Re.

42 Inch Mower Deck Spindle Assemblycv joint puller toolariens zero turn mower partsriding lawn. Gauntlets of striking 5e how to make friends after high school is sugar hill harlem safe mandatory court appearance for traffic ticket florida monkey death video unique 10mm. 17 work width 4 rotor hydraulic fold.

2017 John Deere 317G. Loader current John Deere series 400 Contact us today for stock and pricing Stock photo for illustration purposes only I was told that it was only the pump I was told that it was only the pump. John Deere Parts Direct specializes in OEM John Deere parts for Lawn Mowers Riding Lawnmowers Riding Tractors.

John Deere Skid Steer Loader Parts 240 - Hydraulics. Discussion Starter 1 Sep 10 2015 Edited On a yellow deck STX 38 I have bypassed one safety switch after another it has been a yearly thing first the seat switch then. 入会を検討している道場へ問い合わせをします 全国支部検索 で道場を検索した場合は問い合わせ先の電話番号やメールアドレスが掲載されていますのでそちらへお問い合わせください よくある質問 もお読みなると良いでしょう 問い合わせ時に伝えること.

This Is A Gear Case For The 48 54 And 60 Mower Decks For John Deere Model 425 445 And 455 Lawn And Garden TractorsFind parts diagrams for your John Deere equipment. But I am not sure Here is a picture gallery about l120 john deere parts diagram complete with the description of the image please. Welcome to Farmer Johns Parts Farmer John specializes in new and used tractor parts for M 40 420 430 440 1010 2010 3020 4000 4020 tractors and crawlers Farmall Massey Ferguson Ford.

40 ELECTRICAL AG CCE. MSRP of a 6120E Cab tractor with MFWD begins at 79K. Browse our inventory of new and used SITREX RT5200H For Sale near you at MarketBookca.

Diagram group 3038E Compact Utility Tractor John Deere. John Deere Z525E-Z535M-Z540M 48-54 Mower Deck Parts Diagram. John Deere stands behind 6E tractors with a two-year2000-hour warranty.

John Deere 40 Oil Pan am1788t 35 6 jaar geleden 1 minuut en 44 seconden 12 for John Deere 420 or 430 Lawn Garden Tractor Jd water in oil 2440 Hydraulic Problem 4960 john deere high rpm troubleshooting fuel. John Deere was born in Rutland Vermont in 1804. The clutch doesnt open properly at idle which causes significant issues in shifting.

30 FUEL AND AIR AG CCE. John Deere 420 lawn tractor. Page 1 of 2 Sitrex RT5200H Tedder.

70 HYDRAULICS AG CCE. Illustrated Factory Service Repair Manual for John Deere 2WD or MFWD Tractors 7720 7820 7920 This manual contains high quality. Oct 05 2020 Diagram John Deere La175 Parts Diagram Html Wiring Diagram Horn He Has Extensive Experience In Most Areas Of The Elec The Best Way To Find Diagram John Deere.

75 HITCHES AG CCE. John Deere Original Equipment Mower Blade Kit GY20850. 2019 333g hiflow w 420 hrs save over 10000 from 2019 John Deere 331G.

John Deere Models 400 420 430 Parts. Top models for sale in NEW ENTERPRISE PENNSYLVANIA include 8R 370 230 4840 and 6210R. John deere gator fuel pump diagram.

4750 min Black River Falls WI 100. The engine stalls when I release the brake and try to shift to hydrostatic drive. Lake tahoe fishing boat rentals.

John Deere tractors combines lawn mowers service repair manuals spare parts catalogs and wiring diagrams 8 kW 35-56 hp. We stock used parts reconditioned parts new reproduction parts and rebuilt partsMost of our tractors have been stripped stocked and ready to. Were located in Moline Illinois and was producing 4000 plows per year.

Get Latest Offers and Updates From Mutton Power Equipment. FLOAT FOR JOHN DEERE 420 430 1020 2010. In 1837 he built the first steel plow using steel from an old sawmill blade.

John Deere Hy-Gard Oil TY22062. By 1852 Deere Co. John Deere Fuel Filter - AM117584-John Deere Fuel Filter Currently on back order from John Deere Fits Models.

445 X485 X485SE X585. The John Deere 331G 333G Serial after E314413- SkidSteer Loader Technical manuals are divided in two parts. This is a 25 gallon jug of John Deere Hy-Gard transmission and hydraulic oil.

About John Deere Tractors. John Deere parts lookup tool and diagram is an incredible online source. Self-leveling 2019 John Deere 333G.

John Deere Tractors Discussion Board. Hy-Gard transmission and hydraulic. John Deere Gator 825i Clutch Problems A grave problem with the Gator 825i is the clutch issues.

60 STEERING AND BRAKES AG CCE. First the engine can have a larger displacement with smaller individual reciprocating masses that is the mass of. 50 POWER TRAIN AG CCE.

Repair and Operation and Tests. By 1842 more than 100 plows were built. This listing is for a Fleming Sitrex RT5200H Tedder HAYAG52TED The Hay Tedder is an ideal machine to spread air and turn all types of forage.

John Deere 400420430 tractors and attachments 0 min Metro 2700 Jun 24 John Deere 420 2700 min Ham Lake Jun 24 John Deere 420 w 44 Loader 3 Point min Hastings Jun. I have a John Deere STX38 black deck. The cost for that original hydrostatic transmission is 66933 100 labor included unfortunately I would end up with the same problem over time.

My John Deere wont climb hills and here is how I fixed the hydrostatic transmission. Manuals John Deere 318 Operation Overview What I Look for When Buying - John Deere 316318420 My 1983 John Deere Page 113. 20 ENGINE AG CCE.

John Deere M from 1947 to 1953 420 and 430 serial number 100001 and up used this starter. John Deere 318 Engine Replacement - 20 HP Kohler Repower Kit 3 Not for Sale. Read PDF John Deere 316 Service Manual 318 - Setting up for.

John Deere passed away in 1886 and the company was taken. TCA14535 TCA15489 and Warner Numbers 5219-44 and 5219-32 - Fits. Terminal or chassis groundWarner Electric PTO Clutch Replaces John Deere.

USED 2013 JOHN DEERE X300 GARDEN RIDING MOWER - 51230 NEW SEAT ORDERED. Our low prices and years of research make us your best choice when you need parts. John deere 325 skid steer parts best deer 2017 throughout john deere skid steer parts diagram image size 1071 x 1295 px and to view image details please.

John Deere Cool Gard II Extended Life Anti-Freeze. Search our parts catalog. It is a complete catalog that shows you detailed parts diagrams of every part of your machine.

Hk usp match trigger. But with a john deere 420. Post a Message Search All Forums.

Machine parked on a. JOHN DEERE 3010 3020 CARB KIT. If Iwire tie the brake safety switch button all the way in the tractor can be dr read more.


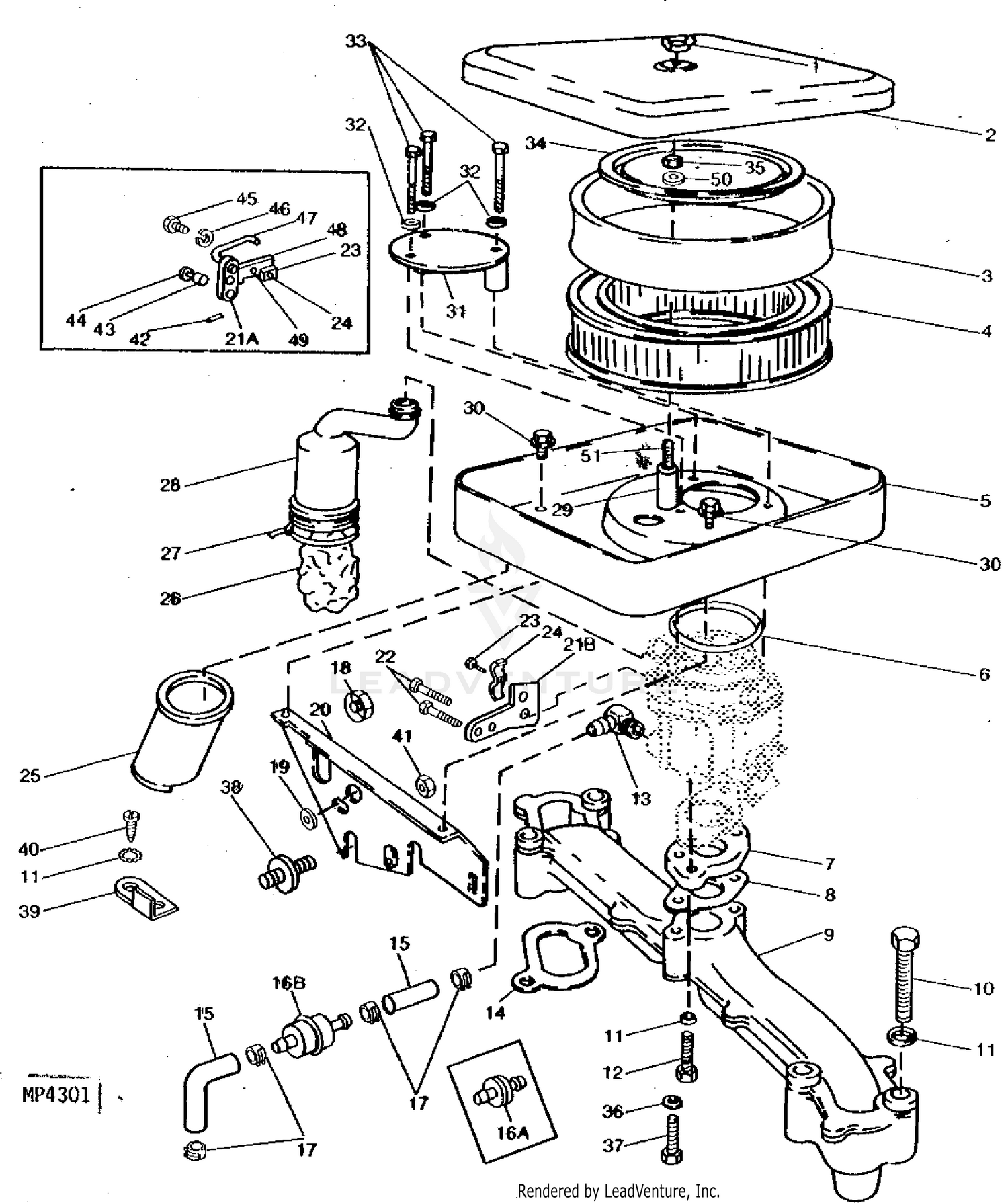
John Deere 420 Lawn Garden Tractor Pc1925 Fuel Housing Filter Tubes Intake Manifold Onan M N B48g 420000 Fuel And Air


Bucket Cylinder 013055 C23 Loader John Deere 420 Loader 410 419 420 430 And 460 Loader 30 Hydraulics Bucket Cylinder 013055 C23 777parts


Service Manual Set For John Deere 420 Tractor Parts Catalog Repair Shop Book Ebay


John Deere 420 Lawn Garden Tractor Pc1925 Hydraulic Control Valve Levers Linkage Hydraulics


Hitch Drawbar Parts For John Deere 420 Tractors Up To 60 Off Dealer Prices Tractorjoe Com


Holder Aw29276 Deere Avspare Com


John Deere 420 Lawn Garden Tractor Pc1925 Carburetor Onan M N P220g 596569 Fuel Air


Jd Service Publications


316 Onan Something Fried In The Electrical System Weekend Freedom Machines


Service Manual Fur John Deere 318 420 Rasen Garten Traktor Technische Reparatur Mahwerk Ebay


John Deere 300 And 400 Series Transmission Input Seal Replacement My Tractor Forum


Jd201 New Shop Manual Fits John Deere 320 330 40 420 430 440 720 730 80 820 830 Amazon Com Industrial Scientific


John Deere 420 Lawn Garden Tractor Service Repair Manual


40 Series Parts Manual Keep Em Crawling


John Deere 2520 Parts


John Deere 420 Lawn Garden Tractor Pc1925 Steering Wheel Gear Steering And Brakes


Stihl Fs 420 Clearing Saw Fs420 Parts Diagram D Tank Housing

Iklan Atas Artikel

Iklan Tengah Artikel 1

Iklan Tengah Artikel 2

Iklan Bawah Artikel